光軸支座
- 產品介紹
- 技術參數
- 產品圖片
R105501600 力士樂軸支座結構:側面夾緊,優點:用于方便的安裝和快速校準;帶定位邊的精密款式;價格較客戶自制便宜。

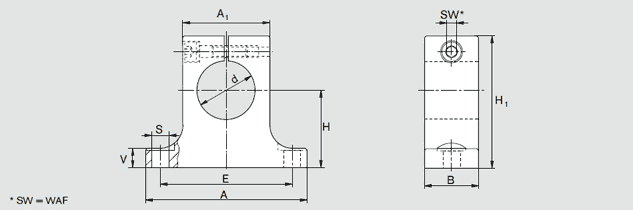
| ød | 16 | |
| dH8 | 16 | |
| H | 25±0.010 | |
| H1 | 42 | |
| A | 50 | |
| A1 | 26 | |
| B | 16 | |
| E±0.15 | 40 | |
| S | 5.5 | |
| V | 6.5 | |
| SW | 3 | |
| 重量:(KG) | 0.12 |
1)以軸公稱尺寸“d”為基準
2)圓柱頭螺栓,ISO 4762-8.8
3)公差DIN 1685-GTB 15
型號:R105501600
軸徑:16mm
軸支座材料: 球墨鑄鐵
結構:側面夾緊
" />R105501600 力士樂軸支座結構:側面夾緊,優點:用于方便的安裝和快速校準;帶定位邊的精密款式;價格較客戶自制便宜。

| ød | 16 | |
| dH8 | 16 | |
| H | 25±0.010 | |
| H1 | 42 | |
| A | 50 | |
| A1 | 26 | |
| B | 16 | |
| E±0.15 | 40 | |
| S | 5.5 | |
| V | 6.5 | |
| SW | 3 | |
| 重量:(KG) | 0.12 |
1)以軸公稱尺寸“d”為基準
2)圓柱頭螺栓,ISO 4762-8.8
3)公差DIN 1685-GTB 15