滾柱滑塊
- 產品介紹
- 技術參數
- 產品圖片
R185142217 力士樂滾柱滑塊上**的滾柱進入和出口區以及優化的安裝螺栓間距,實現了無以倫比的運行精度和*小的脈動,這些高精度的系統尤其適用于高精密切削、測量系統、高精度掃描儀、電火花加工等設備。

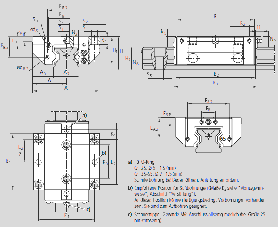
| A | 120 | |
| A1 | 60 | |
| A2 | 45 | |
| A3 | 37.5 | |
| B | 140.0 | |
| B1 | 101.5 | |
| B2 | 144.0 | |
| B3 | 150 | |
| d8 | 8 | |
| d 8.2 | 6 | |
| E1 | 100 | |
| E2 | 80 | |
| E3 | 60 | |
| E8 | 62.9 | |
| E 8.2 | 69.55 | |
| E9 | 16.70 | |
| E 9.2 | 36.50 | |
| H | 60 | |
| H1 | 51 | |
| H21) | 39.10 | |
| H22) | 38.80 | |
| K1 | 17.45 | |
| K2 | 20.35 | |
| N1 | 15 | |
| N2 | 13.5 | |
| N5 | 8.0 | |
| N6±0.5 | 22.4 | |
| S1 |
10.5 |
|
| S2 | M12 | |
| S5 | 14 | |
| S93) | M4-7深 | |
| T24) |
52.5 |
|
| V1 | 10.0 | |
| 重量 | 3.3 | |
| 額定載荷C |
1)尺寸H2帶防護帶
2)尺寸H2不帶防護帶
3)不帶滾珠鏈的滾珠滑塊的額定載荷和轉矩。
額定載荷和額定動轉矩是以100,000米行程為基礎確定的(根據ISO 14728-1),但實際中經常是以50,000米行程為基礎。
在此情況下,表格中的C、Mt、和ML的值乘以1.26。








