軸承導套
R108561220 力士樂直線導套組件帶超級滾珠導套A
品牌:博世力士樂
部件號:R108561220
軸徑:12mm
類型:直線導套組件帶超級滾珠導套A
021-57893800工作時間:周一至周五 9:00-18:00
- 產品介紹
- 技術參數
- 產品圖片
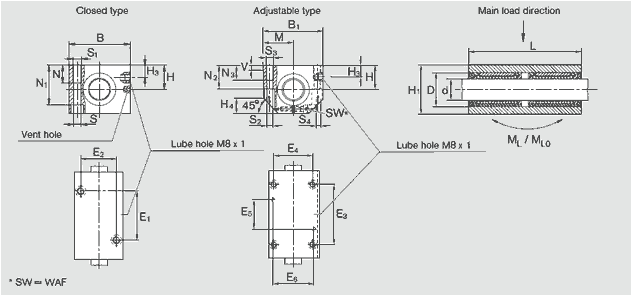
R108561220 力士樂直線導套組件帶超級滾珠導套A結構:
- 輕型精密串聯軸承座 (鋁)
- 兩個超級滾珠導套 a
- 前置密封圈
- 全密封
- 定位邊 (在可調式串聯直線導套組件中)
- 可補充潤滑

| ød | 12 | |
| D | 22 | |
| H 1) (+0.008,-0.016) | 18 | |
| H1 | 35 | |
| H3 | 10 | |
| M1) ±0.01 | 21.5 | |
| B | 42 | |
| B1 | 43 | |
| L | 76 | |
| E12) ±0.15 | 40 | |
| E22) ±0.15 | 30 | |
| E3 2)±0.15 | 56 | |
| E42) ±0.15 | 32 | |
| E5 | 24 | |
| E6 | 34 | |
| S 3) | 5.3 | |
| S1 | M6 | |
| S23) | 4.3 | |
| S3 | M5 | |
| S44) | 4 | |
| N | 13 | |
| N1 | 28 | |
| N2 | 16.5 | |
| N3 | 11 | |
| V | 5 | |
| SW | 2.5 | |
| H4 | 10 | |
| 徑向間隙(um) | +38 +10 |
|
| 額定載荷4) (N) C | 1660 | |
| 額定載荷4) (N) C0 | 980 | |
| 縱向傾覆力矩(Nm)ML | 26 | |
| 縱向傾覆力矩(Nm)ML0 | 16 | |
| 重量(KG) | 0.41 |
1)以軸公稱尺寸ød為基準
2)所給出的額定載荷適用于主載荷方向。








